Leírás
EBARA 3M 40-160/4.0 “I” centrifugál szivattyú, IE3 motorral
Az EBARA 3M 40-160/4.0 “I” centrifugál szivattyú – szabványosított felszíni rozsdamentes centrifugál szivattyú – élelmiszeriparban is használható monoblock szivattyú, melyek szivattyú – háza, diffúzora, járókereke, hátsó pajzsa és tengelye AISI 304 rozsdamentes anyagból készül.
EBARA szabványosított felszíni rozsdamentes centrifugál szivattyú
– a 3M szivattyúk minden folyadékkal érintkező alkatrésze AISI 304 rozsdamentes acél
– korróziónak tartósan ellenáll
– alapkivitelű tengelytömítéssel +90°C – ig alkalmazható
– karimás csatlakozás
– a félig nyitott járókeréknek köszönhetően max. 10-12 mm – es szemcseméretet tartalmazó folyadékot képes átemelni.
– a termék rendelhető ATEX robbanásbiztos motorral is
– választható tengelytömítések a szivattyúzott folyadéktól függően
Tömítések: H és HS verzió 3M szivattyúért felár ellenében
Tömítések: HS verzió alapból 3LM szivattyúkban (felár nélkül)
Szivattyúház: rozsdamentes acél AISI 304 vagy AISI 316 (3LM)
Járókerék: rozsdamentes acél AISI 304 vagy AISI 316 (3LM)
Maximális folyadék hőmérséklet: 90°C
Motor verziók: 2 vagy 4 pólus (3M4-3LM4)
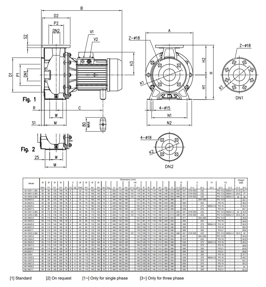
EBARA 3M szivattyúk eredeti leírása
1320550004I-3M/I 40-160/4 IE3 robbantot ábra
1320550004I





