Leírás
IMP SAN ECO 15/15BT használati meleg víz keringető szivattyú
IMP SAN ECO 15/15BT használati meleg víz keringető szivattyú, beépített termosztáttal
Magas teljesítményű, kézzel állítható keringető szivattyúk forró vízhez.
A szferikus motor – tengely nélküli, bronz bevonattal.
Ennek az egyfázisú ( 230 V) szivattyúnak a maximálisan felvett teljesítménye 9 W.
Energia osztály: A
Védelem: IP44
Max nyomás: 10 bár
A termék súlya: 0,85 kg
Megengedett maximális környezeti hőmérséklet: 45°C
A szivattyú 4 féle kialakításban kerül kereskedelmi forgalomba.
A feladatra legmegfelelőbb szivattyú kiválasztásához kérje Kollégáink segítségét!
B alap kivitel
BU időzítővel
BTU termosztáttal és időzítővel
BT termosztáttal ( 20 – 70 °C)
ECO – a legkisebb teljesítményű IMP keringető szivattyú
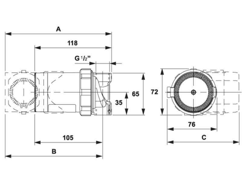
IMP SAN ECO 15/15 BT műszaki adatlap
| 979527871 |







Értékelések
Még nincsenek értékelések.